适用范围:
适用于bao炸性气体环境1区、2区;
适用于可燃性粉尘环境21区、22区;
适用于IIA、IIB、IIC级bao炸性气体环境;
适用于温度级别为T1-T6的环境;
广泛用于石油开采、炼油、化工、电力、军工等危险环境及海洋石油平台bao炸性气体环境
正常工作条件:
安装地点的海拔不超过2000m;
周围环境温为-40℃~+40℃,且24h内的平均温度值不超过+35℃;
周围空气相对湿度不大于95%(+25℃);
在无剧烈震动、冲击及摇动的地方;
适用于1区、2区、IIA、IIB、IIC、类及T1~T6组bao炸性气体环境或可燃性粉尘场所;
产品结构性能:
铝合金压铸壳体,表面高压静电喷塑;
灯具采用止口防爆结构,防爆性能优良,满足IIC级防爆要求;
透明件采用钢化玻璃,具有耐高温、耐过热、耐热剧变等性能;
灯具各结合面均设置了良好的密封结构,密封圈均采用硅橡胶材料,耐高温、抗老化,外壳防护等级达到IP66;
灯具外壳表面经抛丸及表面化学处理后,表面采用高压静电喷塑,耐腐蚀性强,防腐等级达到WF2;
光源采用国际知名品牌,光效高、寿命久;
特制恒流电源、高效、低功效,并具有开路、短路、过热保护功能,保证光源可靠工作,充分发挥高光效、节能、长寿命的特性;
灯具采用一体化设计,并实现光源腔、电器腔和接线腔三腔分离式设计结构,光源腔、电器腔完全隔离,中间采用特殊通风散热结构,确保光源与电源产生的热量能迅速的散发出去;
部分灯型可配装一体式应急,当供电电源断电时,灯具自动切换到应急照明状态;
主要技术参数 :
型号/Model | I(型) | II(型) |
执行标准 | GB3836(等效于IEC60079、EN系列标准)/GB12476(等效于IEC61241、EN系列标准) | |
防爆标志 | Exde IIC T6 Gb/Ex tD A21 IP65 T80℃ | |
额定电压 | 110-260VAC | |
频率范围 | 50Hz | |
额定功率 | 10W-30W | |
LED光通量 | 1000lm-3000lm | |
功率因数 | ≥0.95 | |
电源效率 | ≥0.88 | |
显色指数 | ≥80 | |
浪涌电流 | 冷启动/Cold;30A(max)230VAC | |
安规 | UL8750,TUV EN61347-1,EN61347-2-13 | |
电磁兼容性标准 | EN61000-3-2,TUV EN61347-1,EN61347-2-13 | |
防护等级 | IP65 | |
防腐等级 | WF2 | |
进线口螺纹 | G3/4” | |
电缆规格 | Φ7-φ12mm | |
安装方式 | 吸顶式(x)、杆吊式(g)、支架式(z)、壁式(b)、法兰式(f)、护栏式(h) | |
工作环境 | 温度-40℃~45℃ 湿度:10%~90% | |
工作寿命 | ≥50000H | |
产品重量 | 2.8KG | 2.6KG |
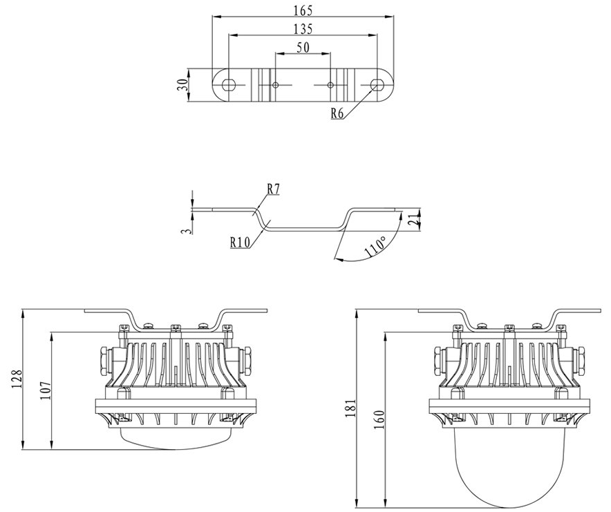
外形尺寸及安装示意:

天子国际product list