适用范围:
适用于bao炸性气体环境1区、2区;
适用于IIA、IIB、IIC级bao炸性气体环境;
适用于温度级别为T1~T4的环境;
广泛用于石油开采、炼油、化工、烟草、军工等bao炸性环境场所。
正常工作条件:
安装地点的海拔不超过2000m;
周围环境温为-40℃~+40℃,且24h内的平均温度值不超过+35℃;
周围空气相对湿度不大于95%(+25℃);
在无剧烈震动、冲击及摇动的地方;
适用于1区、2区、IIA、IIB、IIC、类及T1~T6组bao炸性气体环境或可燃性粉尘场所;
产品结构性能:
外壳采用高强度铝合金压铸成型,表面抛丸处理后高压静电喷塑;
LED光源采用高亮度、寿命长国际知名品牌芯片;反光杯经过特殊配光设计,表面采用高科技表面处理工艺,反光效率高;
采用高能电池,容量高、寿命长,自放电率低;
灯具具有小于0.25s应急切换时间,超快的应急响应速度为用户提供强有力的安全保障;
灯具各结合面间均设置了良好的密封结构,密封圈均采用硅橡胶材料,耐高温、抗老化,外壳防护等级达到IP65,产品可用于比较复杂的环境;
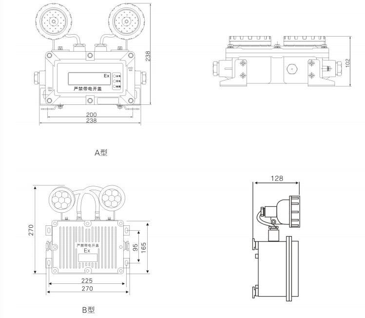
安装方式:壁挂式
主要技术参数:
型号/Model | BAJ52 A/B 防爆应急灯 |
执行标准 | 执行标准:GB3836.1、GB3836.2、GB12476.1、GB12476.5 |
防爆标志 | Exd IIC T6 Gb/Ex tD A21 IP66 T80℃ |
额定电压 | 110-260VAC |
频率范围 | 50Hz |
额定功率 | 2x2W |
充电时间 | ≤24h |
切换时间 | ≤0.25s |
应急时间 | ≥90min |
显色指数 | ≥70 |
浪涌电流 | 冷启动/Cold;30A(max)230VAC |
安规 | UL8750,TUV EN61347-1,EN61347-2-13 |
电磁兼容性标准 | EN61000-3-2,TUV EN61347-1,EN61347-2-13 |
防护等级 | IP66 |
防腐等级 | WF2 |
进线口螺纹 | G3/4” |
电缆规格 | Φ7-φ12mm |
安装方式 | 壁式(b2) |
工作环境 | 温度-40℃~45℃ 湿度:10%~90% |
工作寿命 | ≥50000H |
产品重量 | A:2.6KG B:2KG |
外形尺寸及安装示意:

天子国际product list